Skip to content Skip to sidebar Skip to footer

Gitarren Verzerrer Schaltplan: Alles, Was Sie Wissen Müssen

Table of Contents [Show]

17. GitarrenVerzerrer... auf Knolles Elektronik Basteln Page
17. GitarrenVerzerrer... auf Knolles Elektronik Basteln Page from hobbyelektronik.de

Einführung

Ein Gitarren Verzerrer ist ein Effektgerät für Gitarren, das den Klang der Gitarre verändert und verzerrt. Ein Schaltplan für einen Gitarren Verzerrer ist eine technische Zeichnung, die zeigt, wie das Gerät gebaut werden soll.

Warum ein Schaltplan wichtig ist

Ein Gitarren Verzerrer ist ein komplexes Gerät, das aus vielen verschiedenen Komponenten besteht. Ein Schaltplan zeigt, wie diese Komponenten miteinander verbunden sind und wie sie zusammenarbeiten, um den gewünschten Verzerrungseffekt zu erzeugen.

Die wichtigsten Komponenten

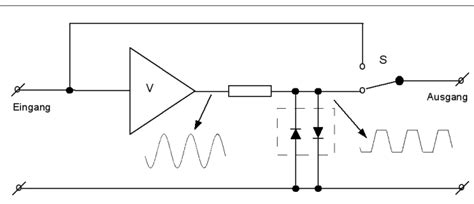
Die wichtigsten Komponenten eines Gitarren Verzerrers sind der Operationsverstärker, die Dioden und die Widerstände. Der Operationsverstärker ist das Herzstück des Geräts und sorgt für die Verstärkung des Signals. Die Dioden sind für die Verzerrung des Signals verantwortlich, während die Widerstände den Stromfluss im Gerät kontrollieren.

Der Aufbau des Schaltplans

Ein Schaltplan für einen Gitarren Verzerrer besteht aus verschiedenen Blöcken, die die verschiedenen Komponenten und Schaltungen repräsentieren. Diese Blöcke sind durch Linien verbunden, die den Stromfluss im Gerät anzeigen.

Blockdiagramm

Das Blockdiagramm zeigt die verschiedenen Blöcke des Verzerrers und ihre Verbindung zueinander. Es gibt in der Regel Blöcke für den Input, den Operationsverstärker, die Dioden, die Widerstände und den Output.

Schaltungsdiagramm

Das Schaltungsdiagramm zeigt die Verbindung der Komponenten innerhalb jedes Blocks. Es zeigt, wie der Operationsverstärker, die Dioden und die Widerstände miteinander verbunden sind, um den gewünschten Verzerrungseffekt zu erzeugen.

Tipps für den Bau eines Gitarren Verzerrers

Bevor Sie mit dem Bau eines Gitarren Verzerrers beginnen, sollten Sie sich überlegen, welche Art von Verzerrung Sie erzeugen möchten. Es gibt viele verschiedene Arten von Verzerrungen, von sanftem Overdrive bis hin zu brachialen Metal-Sounds.

Es ist auch wichtig, qualitativ hochwertige Komponenten zu verwenden, um sicherzustellen, dass der Verzerrer gut funktioniert und lange hält. Wenn Sie nicht sicher sind, welche Komponenten Sie verwenden sollten, sprechen Sie mit einem Experten oder suchen Sie online nach Empfehlungen.

Fazit

Ein Schaltplan für einen Gitarren Verzerrer ist eine wichtige technische Zeichnung, die zeigt, wie das Gerät gebaut werden soll. Es ist wichtig, qualitativ hochwertige Komponenten zu verwenden und sich darüber im Klaren zu sein, welche Art von Verzerrung Sie erzeugen möchten. Mit diesen Tipps können Sie einen großartigen Gitarren Verzerrer bauen.

Referenzen

1. https://www.electrosmash.com/big-muff-pi-analysis
2. https://www.electronics-tutorials.ws/amplifier/op-amp-basics.html
3. https://www.diystompboxes.com/pedals/schematics.html


Kommentar veröffentlichen for "Gitarren Verzerrer Schaltplan: Alles, Was Sie Wissen Müssen"